Jahreswechsel 2025 (29 Dez. 2025)

Liebe Mitglieder und Freunde des Citroën SM Club Deutschland,
wieder geht ein Jahr zu Ende – ein Jahr voller Benzingespräche, Schraubermomente, Ausfahrten und natürlich der gemeinsamen Leidenschaft für einen der außergewöhnlichsten Citroën aller Zeiten: den SM.
Danke euch allen für eure Begeisterung, euren Einsatz im Club, den Erfahrungsaustausch und die vielen netten Begegnungen. Es ist genau diese Mischung aus Technikliebe, Gemeinschaft und französischem Automobilgeist, die unseren Club so besonders macht.
Wir wünschen euch und euren Familien ein frohes, entspanntes Weihnachtsfest, ruhige Feiertage und einen guten Start in ein gesundes, glückliches und pannenfreies neues Jahr. Möge 2026 viele schöne Kilometer, zuverlässige Hydraulik, drehfreudige Motoren und tolle Treffen für uns bereithalten.
Wir freuen uns schon darauf, euch im neuen Jahr wiederzusehen – auf der Straße, in der Werkstatt oder bei einem unserer Clubtreffen.
Herzliche Grüße und bis bald
Euer Citroën SM Club Deutschland

Starker Ölverlust

  • Andy
  • Andys Avatar
  • Offline
  • Platinum Mitglied
  • Platinum Mitglied
  • Beiträge: 12861

Re: Starker Ölverlust

26 Aug. 2021 15:22
#1
Ersatzfilter mitnehmen!

Andreas

Bitte Anmelden oder Registrieren um der Konversation beizutreten.

  • Matthias_H2
  • Matthias_H2s Avatar Autor
  • Offline
  • Premium Mitglied
  • Premium Mitglied
  • Beiträge: 157

Re: Starker Ölverlust

26 Aug. 2021 14:49
#2
Der Mann-Filter war zunächst auch vollkommen dicht. Deshalb hatte ich zunächst auch gar nicht dran gedacht, dass der Ölfilter der Grund für den Ölverlust sein könnte. Und es war auch nicht so, dass sich der Filter gelöst hätte. Auch als das Öl in Strömen rausfloss, saß der Filter fest. Nachdem der Filter draußen war, konnte ich auch keinerlei Beschädigungen am Dichtring erkennen. 

Hoffen wir, dass das Problem jetzt gelöst ist. Sonntag nächste Woche soll es nach Slowenien gehen.


Viele Grüße


Matthias

 

Bitte Anmelden oder Registrieren um der Konversation beizutreten.

  • Jochen SM-13
  • Jochen SM-13s Avatar
  • Offline
  • Platinum Mitglied
  • Platinum Mitglied
  • Beiträge: 3360

Re: Starker Ölverlust

26 Aug. 2021 13:53
#3
Ach, ist ja interessant, Matthias! 
Danke auch für die Fotos - ich habe bislang lieber den unauffälligen, schwarzen Mann-Filter montiert gehabt. 

Doof, dass diese Kleinigkeit die Ausfahrt verhagelt hat. Dafür ist unsere kapriziöse Zicke bekannt, ist uns allen schon so gegangen. Fördert auch irgendwie die innere Verbundenheit. 

Grüsse, Jochen

Bitte Anmelden oder Registrieren um der Konversation beizutreten.

  • Matthias_H2
  • Matthias_H2s Avatar Autor
  • Offline
  • Premium Mitglied
  • Premium Mitglied
  • Beiträge: 157

Re: Starker Ölverlust

23 Aug. 2021 19:51
#4
Na siehste! Aber die Beschereibung ist genderfalsch. Erstens darf der Filter nicht nur Mann heißen, sodnern Mann und Frau. Also nicht Fram. Du musst das schon richtig schreiben, sonst kommt die Genderpolizei.

Andreas
Sorry, da hast Du natürlich absolut recht  Ich werde in Zukunft nur noch von Mann*Frau und Frau*m sprechen 

Bitte Anmelden oder Registrieren um der Konversation beizutreten.

  • Andy
  • Andys Avatar
  • Offline
  • Platinum Mitglied
  • Platinum Mitglied
  • Beiträge: 12861

Re: Starker Ölverlust

23 Aug. 2021 19:33
#5
Na siehste! Aber die Beschereibung ist genderfalsch. Erstens darf der Filter nicht nur Mann heißen, sodnern Mann und Frau. Also nicht Fram. Du musst das schon richtig schreiben, sonst kommt die Genderpolizei.

Andreas

Bitte Anmelden oder Registrieren um der Konversation beizutreten.

  • Matthias_H2
  • Matthias_H2s Avatar Autor
  • Offline
  • Premium Mitglied
  • Premium Mitglied
  • Beiträge: 157

Re: Starker Ölverlust

23 Aug. 2021 18:09
#6
Es war der Ölfilter!

Heute den Mann Filter gegen einen Fram HP1 getauscht, und der Ölverlust ist abgestellt.

Wenn man Fram und Mann nebeneinander stellt, fällt auf, dass der Dichtring des Fram deutlich höher und auch etwas breiter ist, als der des Mann. Dazu kommt, dass der Abstand zwischen Filtergrundplatte und Oberkante des Dichtrings bei Fram gut 3 mm höher ist, als beim Mann. Das heißt, die Dichtung lässt sich viel stärker zusammenpressen, bevor die Filtergrundplatte “auf Block” geht.

Viele Grüße 


Matthias

Bitte Anmelden oder Registrieren um der Konversation beizutreten.

  • Andy
  • Andys Avatar
  • Offline
  • Platinum Mitglied
  • Platinum Mitglied
  • Beiträge: 12861

Re: Starker Ölverlust

20 Aug. 2021 10:43
#7
Vielleicht ist auch der Dichtring zu weich?
Ich habe gute Erfahrungen mit dem Purolatorfilter, aber den gibts glaub ich nimmer. Müsste reinwühlen, um zu sehen,w as ich drin habe.
Zumal man diese Riesenfilter wie den Bosch beim IE eh nicht reinkriegt.

Andreas

Bitte Anmelden oder Registrieren um der Konversation beizutreten.

  • Matthias_H2
  • Matthias_H2s Avatar Autor
  • Offline
  • Premium Mitglied
  • Premium Mitglied
  • Beiträge: 157

Re: Starker Ölverlust

20 Aug. 2021 10:03
#8
Quick and dirty könntest Du das innere Blech des Filters mit ein wenig Gewalt oder einem großen Schraubstock und einer Nuss einfach 2-3mm nach innen drücken (Nicht schräg!). dann müsste es aussen auf jeden Fall dichten. Oder einen anderen Filter probieren. Kannst Du ja vor Einbau mal vermessen (Tiefe des inneren Gewindes im Verhältnis zur Filteraussenkante)

Viel Erfolg

Achim
Wäre einen Versuch wert, wenn gar nichts anderes funktioniert. Fürchte allerdings, dass mein Schraubstock dafür zu klein ist. Habe jetzt erst einmal einen anderen Filter (Fram HP1) bestellt. Hoffen wir mal, dass "doppelt so teuer" für doppelte Dichtringstärke steht.  

Viele Grüße


Matthias

Bitte Anmelden oder Registrieren um der Konversation beizutreten.

  • Achim
  • Achims Avatar
  • Offline
  • Platinum Mitglied
  • Platinum Mitglied
  • Beiträge: 1283

Re: Starker Ölverlust

20 Aug. 2021 08:55
#9
Quick and dirty könntest Du das innere Blech des Filters mit ein wenig Gewalt oder einem großen Schraubstock und einer Nuss einfach 2-3mm nach innen drücken (Nicht schräg!). dann müsste es aussen auf jeden Fall dichten. Oder einen anderen Filter probieren. Kannst Du ja vor Einbau mal vermessen (Tiefe des inneren Gewindes im Verhältnis zur Filteraussenkante)

Viel Erfolg

Achim

Bitte Anmelden oder Registrieren um der Konversation beizutreten.

  • Matthias_H2
  • Matthias_H2s Avatar Autor
  • Offline
  • Premium Mitglied
  • Premium Mitglied
  • Beiträge: 157

Re: Starker Ölverlust

19 Aug. 2021 16:21
#10
Genau das ist meine Vermutung. Den 6-Kant hatte wohl schon einmal jemand rausgedreht. Deshalb waren die Kanten ja auch vermurkst. Ich hatte versucht, den 6-Kant zum Richten rauszuschrauben, aber der saß zu fest, und ich wollte keine Gewalt anwenden. Hatte dann alle ölführenden Kanäle zugestopft und die Grate am 6-Kant vorsichtig weggefeit. Was mich allerdings wundert, ist, dass der Filter zunächst dicht war. Wäre echt prima, wenn  Du das Maß zwischen Dichtfläche und 6-Kant bei nächster Gelegenheit postest. Ich denke, Dienstagabend werde ich wieder zum Schrauben kommen.

Matthias

Bitte Anmelden oder Registrieren um der Konversation beizutreten.

  • VolkerA
  • VolkerAs Avatar
  • Offline
  • Platinum Mitglied
  • Platinum Mitglied
  • Beiträge: 1301

Re: Starker Ölverlust

19 Aug. 2021 15:31 - 30 Okt. 2024 11:11
#11
...
Letzte Änderung: 30 Okt. 2024 11:11 von VolkerA.

Bitte Anmelden oder Registrieren um der Konversation beizutreten.

  • Matthias_H2
  • Matthias_H2s Avatar Autor
  • Offline
  • Premium Mitglied
  • Premium Mitglied
  • Beiträge: 157

Re: Starker Ölverlust

19 Aug. 2021 13:49
#12
So, es ist zweifelsfrei der Ölfilter bzw. die Dichtung desselben. Nach zwei, drei Minuten Laufenlassen war ringsum wieder alles ölfeucht. Aber warum dichtet das Ding nicht vernünftig. Beim letzten Filter dachte ich, es sei der Grat am Sechskant gewesen, der verhindert hat, dass sich der Filter richtig montieren ließ. Der Grat hatte sich beim Draufdrehen des Filters auch ordentlich in die Filtergrundplatte eingearbeitet. Aber diesen Grat habe ich entfernt.

Matthias

Bitte Anmelden oder Registrieren um der Konversation beizutreten.

  • Andy
  • Andys Avatar
  • Offline
  • Platinum Mitglied
  • Platinum Mitglied
  • Beiträge: 12861

Re: Starker Ölverlust

19 Aug. 2021 13:03 - 19 Aug. 2021 17:35
#13
Saubermachen und laufenlassen, bis Du das Leck findest. Eine verwuzelte Ölfilterdichtung wäre nicht das erste Mal Ursache.
Musste suchen. Haste ne Bühne?

Andreas
Letzte Änderung: 19 Aug. 2021 17:35 von Andy.

Bitte Anmelden oder Registrieren um der Konversation beizutreten.

  • Matthias_H2
  • Matthias_H2s Avatar Autor
  • Offline
  • Premium Mitglied
  • Premium Mitglied
  • Beiträge: 157

Re: Starker Ölverlust

19 Aug. 2021 12:57
#14
Ja, habe ich. Könnte mir nur vorstellen, dass es der Dichtung nicht gut getan hat, dass ich den Filter noch einmal abschrauben musste, nachdem er beim ersten Mal wegen des Grats nicht richtig saß.

Bitte Anmelden oder Registrieren um der Konversation beizutreten.

  • VolkerA
  • VolkerAs Avatar
  • Offline
  • Platinum Mitglied
  • Platinum Mitglied
  • Beiträge: 1301

Re: Starker Ölverlust

19 Aug. 2021 12:47 - 30 Okt. 2024 11:11
#15
...
Letzte Änderung: 30 Okt. 2024 11:11 von VolkerA.

Bitte Anmelden oder Registrieren um der Konversation beizutreten.

  • Matthias_H2
  • Matthias_H2s Avatar Autor
  • Offline
  • Premium Mitglied
  • Premium Mitglied
  • Beiträge: 157

Re: Starker Ölverlust

19 Aug. 2021 12:18
#16
Hallo Volker,

ich habe mir das Ganze gerade noch einmal von oben angeschaut. Rund um den Ölfilter schein Öl auszutreten. Zumindest hatte ich sauberes Öl an den Fingern, nachdem ich unter den Ölfilter gefasst habe. Der Stopfen und die Ölkühlerschläuche scheiden eher aus. Rings um den Stopfen ist es trocken, um die Ölkühlerschläuche war nur ein wenig angetrocknete Ölschmiere. Habe jetzt noch einmal alles, so weit es ging, sauber gemacht und den Motor laufen lassen. Kein Ölaustritt im Bereich der Ölkühlerschläuche sichtbar. Den Ölfilter habe ich noch nicht befühlt. Wollte mir die Finger nicht verbrennen.

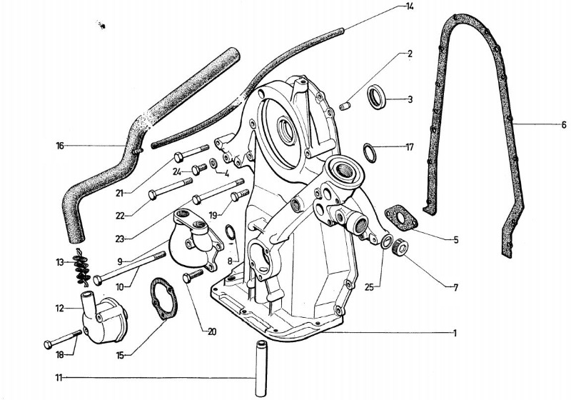
Wenn tatsächlich der Ölfilter, ein Mann W719/15) undicht ist, dann frage ich mich, was der Grund dafür sein kann. Er sitzt bombenfest. Ich könnte mir nur vorstellen, dass der Stutzen für den Ölfilter etwa zu weit heraussteht, und deshalb der Dichtring nicht fest genug auf die Dichtfläche drückt. An dem Flansch hatte schon einmal einer unprofessionell rumgebastelt und Grate an den Ecken des Sechskants erzeugt, wegen denen ich den Filter nicht fest genug aufschrauben konnte. Die Grate hatte ich aber entfernt


Viele Grüße


Matthias

Bitte Anmelden oder Registrieren um der Konversation beizutreten.

  • VolkerA
  • VolkerAs Avatar
  • Offline
  • Platinum Mitglied
  • Platinum Mitglied
  • Beiträge: 1301

Re: Starker Ölverlust

19 Aug. 2021 11:49 - 30 Okt. 2024 11:11
#17
   
...
Letzte Änderung: 30 Okt. 2024 11:11 von VolkerA.

Bitte Anmelden oder Registrieren um der Konversation beizutreten.

  • Matthias_H2
  • Matthias_H2s Avatar Autor
  • Offline
  • Premium Mitglied
  • Premium Mitglied
  • Beiträge: 157

Re: Starker Ölverlust

19 Aug. 2021 10:43
#18
Hallo Volker,

vielen Dank für eine ausführliche Antwort. Den Stopfen Nr. 7 hatte ich gar nicht auf dem Schirm. Wusste noch nicht einmal, dass es den gibt. Mein Motor hat richtig heftigen Ölverlust, und dieser ist recht kurzfristig aufgetreten. Im Mai beim TÜV war alles dicht. Ich werde jetzt noch einmal alles abprüfen. Hätte es aber echt nicht mehr gebraucht. Heute hätte der SM seinen ersten Langstreckentest nach der Wiederinbetriebnahme machen sollen. 400 Kilometer nach Coburg. Das kann ich erst einmal vergessen 


Viele Grüße


Matthias

Bitte Anmelden oder Registrieren um der Konversation beizutreten.

  • VolkerA
  • VolkerAs Avatar
  • Offline
  • Platinum Mitglied
  • Platinum Mitglied
  • Beiträge: 1301

Re: Starker Ölverlust

19 Aug. 2021 09:24 - 30 Okt. 2024 11:10
#19
...
Letzte Änderung: 30 Okt. 2024 11:10 von VolkerA.

Bitte Anmelden oder Registrieren um der Konversation beizutreten.

  • Matthias_H2
  • Matthias_H2s Avatar Autor
  • Offline
  • Premium Mitglied
  • Premium Mitglied
  • Beiträge: 157

Starker Ölverlust

18 Aug. 2021 23:37
#20
Hallo zusammen,

mein SM I.e. treibt mich noch in den Wahnsinn! Er läuft perfekt, macht Spaß beim Fahren, und morgen sollte zum ersten Mal eine lange Strecke absolviert werden. Und jetzt…? Starker Ölverlust irgendwo im Bereich des Ölfilters. Das Ganze kam ziemlich plötzlich. Im Mai bei der HU war alles dicht. Habt Ihr Ideen, wo die Ursache liegen könnte? Ölfilter möchte ich fast ausschließen, der sitzt fest. Auch an den Temperaturfühlern konnte ich keine Undichtigkeiten feststellen.


Vielen Dank und viele Grüße 


Matthias

Bitte Anmelden oder Registrieren um der Konversation beizutreten.

/* Mobile Fake Cursor – für mobile Geraete */
Wir benutzen Cookies

Wir nutzen Cookies auf unserer Website. Einige von ihnen sind essenziell für den Betrieb der Seite, während andere uns helfen, diese Website und die Nutzererfahrung zu verbessern (Tracking Cookies). Sie können selbst entscheiden, ob Sie die Cookies zulassen möchten. Bitte beachten Sie, dass bei einer Ablehnung womöglich nicht mehr alle Funktionalitäten der Seite zur Verfügung stehen.